18年专注生产仓储货架,重型货架,阁楼货架等仓库货架设备,各种仓储货架均可定制,非标订做。
中文版
+852 30756669 +86 13332627999
咨询热线:
+86 13332627999
我司严格按照ISO9001:2000质量管理体系运行,使产品质量得到充分的保证。
中国平安产品责任险
保险
专注仓储设备行业17年,客户达17000多家!
货架表面涂层附着力测试
SGS报告
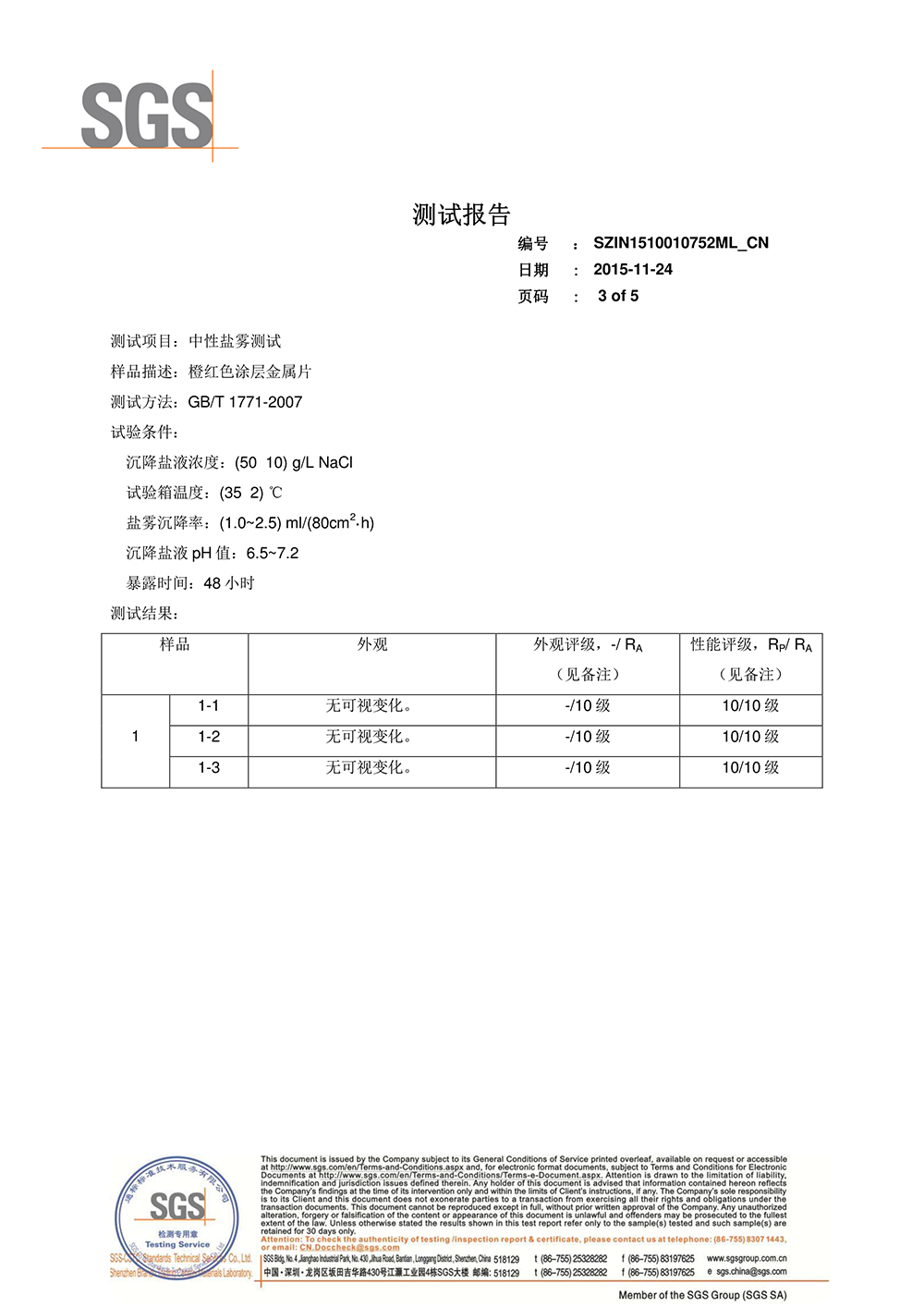
货架表面涂层盐雾测试
货架表面涂层硬度测试
货架材料基层材质测试
货架承载力安全测试1
货架承载力安全测试2